Standard components and specialized parts compose modular machine tools, enabling them to process specific components or similar parts.
They use simpler structures than dedicated machines, deliver higher production efficiency, and support mass production—particularly for single-process machining operations.
Modular machine tools offer stable precision and reusable universal components, making them more versatile for mechanical engineering than dedicated machines.
In the mechanical industry, fixtures must provide precise positioning and sufficient, non-deforming clamping force to ensure machining accuracy.
In machine tool production, the proper selection of fixtures guarantees production efficiency and reduces labor intensity.
Modular fixtures offer good flexibility and rigidity, with removable and reconfigurable components. This design adopts a universal structural approach.
Housing Machining Process
Before delving into the detailed machining analysis, it is important to first consider the overall structural characteristics, functional requirements, and key manufacturing challenges of the end transmission housing.
Understanding its thin-walled design, load-bearing features, and critical hole systems will guide the selection of datum surfaces, fixture design, and machine tool configuration, ensuring high machining accuracy and production efficiency.
Housing Process Analysis
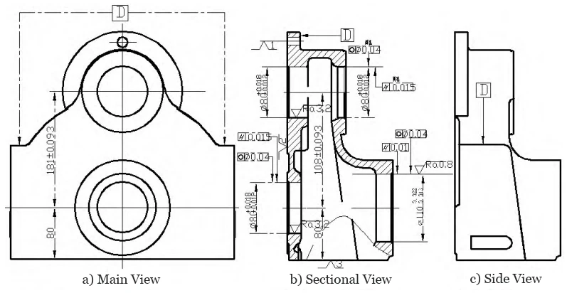
The workpiece is a thin-walled end transmission housing in the tractor’s rear transmission that links to the rear housing and carries transmission forces.
Bearings at both ends of the drive-shaft bores require high concentricity and precision; large errors impair drive performance and reduce bearing and shaft life.
The transmission housing features four machined planes: the opening plane and planes A, B, and C.
Machining involves multiple through and threaded holes on planes A, B, C, and the opening—typical of a housing-type part.
Both planar surfaces and hole systems require high technical precision.

- Flatness requirements: the opening and A, B, C end faces are primary surfaces, with the opening face perpendicular to A, B, and C within 0.05 mm.
- Hole specifications: mostly vertical, with coaxial systems and thread position tolerances ≤ 0.2 mm.
The rear end has Φ80 mm through holes of 33 mm and 22 mm depths with 0.02 mm coaxiality, while the front end has a Φ80 mm through hole 23 mm deep.
- Positioning accuracy: front and rear end faces and opening plane are primary; the Φ110 mm front face is parallel to the rear within 0.04 mm.
The front and rear end faces must be perpendicular to the transverse hole system axis, with a perpendicularity tolerance of 0.05 mm.
- Surface roughness. The opening plane may serve as a precision reference surface. The roughness of the primary machined planes and bored holes is 3.2.
Structural Manufacturability
The uniform distribution of threaded holes within the plane ensures good structural manufacturability.
Both faces undergo facing operations, reducing the length of the boring bar;
The opening plane serves as a precision datum, facilitating production;
Machinists can machine the uniformly distributed Φ8 mm threaded holes simultaneously to minimize tool changes.
Principles for Datum Selection
The principles for datum selection are as follows:
- Machinists must use precision benchmarks to avoid machining errors, especially during final finishing.
- Benchmark Unification: a single benchmark ensures positional accuracy, prevents errors, and simplifies process and fixture design.
- Mutual Benchmarking: two surfaces needing high positional accuracy can act as mutual benchmarks during repeated machining.
- Machinists can select the surface itself as the precision benchmark for precision surfaces that require small, uniform allowances.
This principle also applies to machining with fixed-diameter drills, such as floating drill jig operations for drilling and reaming.
Overall Design of Modular Machine Tools
To effectively design a modular machine tool, it is essential first to understand the overall functional requirements and the machining objectives of the workpiece.
This includes evaluating the size, complexity, and precision demands, as well as the type of operations needed. Such an overview ensures that the selected machine configuration supports optimal accuracy, stability, and efficiency during the entire machining process.
Selection of Modular Machine Tool Configuration Types
The machine tool primarily consists of the spindle head, base, motor, electrical equipment, slide, and cutting tools.
The spindle housing drives the spindle, the base supports the machine, and the slide secures the workpiece and enables precise feed.
Different configuration schemes impact part machining differently, primarily determining the relationship between components and the controller.
Horizontal machines suit Φ80 mm and Φ110 mm holes, providing easy setup, stability, vibration damping, and high productivity.
Machine configuration must ensure precision, stability, and reliability while accounting for material, function, and maintenance (Figure 2).
Part Machining Process
The process diagram details clamping steps, references, constraints, surface roughness, accuracy, positions, and clamping type.
For unmachined critical surfaces, provide sectional views; the process diagram must match the part drawing.
Two-surface-one-pin positioning constrains all six degrees of freedom; the processing sequence is shown in Figure 3.


Machining Schematic Diagram
A machining schematic must show spindle, tools, fixture, workpiece positions, and feed strokes.
The schematic, created after finalizing the machine plan, shows the part’s process, tool arrangement, and cutting parameters (Figure 4).

Fixture Design
Fixtures secure parts for accurate machining and are mainly specialized or universal, handling turning, milling, drilling, and boring.
Specialized fixtures facilitate machining similar parts more efficiently than universal fixtures, enhancing productivity and reducing costs.
Components of Machine Tool Fixtures
Machine tool fixtures consist of the following five parts:
- Positioning elements locate the workpiece, including plates, trim pins, cylindrical pins, and diamond pins.
- Clamping elements secure the workpiece, including three-jaw chucks, clamping plates, curved plates, and movable plates.
- Tool-setting and guiding elements direct the tool, including boring bushings, orientation keys, and pointed keys.
- Fixture Body: Connects all components to form an integrated assembly.
- Other components may include springs, jig supports, hinges, and bushings.
Design Steps and Content
- Positioning Analysis: Adopts two-surface-one-hole positioning. Positioning pins utilize movable connections with servo electric cylinders for automation.
Two surfaces are positioned using a plate (3 DOF), a sleeve (2 DOF), and a chamfered pin (1 DOF) for full constraint.
Direct pin insertion is difficult, so a 15° taper is added to the chamfered pin for easier entry when offset.
Driven by the servo electric cylinder, the chamfered pin extends as the positioning pin and then retracts, achieving automatic positioning.
- Guide Design: Paired single-sided rolling sleeves guide the bar, shortening it, reducing errors, and minimizing wear.
Limited hole spacing restricts bushing size, so guide bushings feature “cutting guide grooves” when their inner diameter is smaller than the bore.
Orientation keys are added to rotating bushings, with long keyways milled in sleeves and pointed keys near the front to ensure correct boring bar alignment.
Conclusion
Modern fixtures prioritize versatility and automation, with modular fixtures offering top structural flexibility. Design begins by reviewing modular machine tool materials.
Draft the housing drawing, design modular fixtures, and use a CNC slide with two-surface-one-hole positioning for stable feed.
For the two surfaces:
– The first surface uses a locating plate to restrict 3 degrees of freedom.
– The second surface employs a sleeve fitted over the boring sleeve to tightly contact the workpiece, restricting 2 degrees of freedom.
After restricting 5 degrees of freedom, complete positioning remains unachievable. Therefore, a chamfered pin is used as a locating pin, inserted into a threaded hole to restrict one additional degree of freedom.
For locating and clamping, the fixture must be modularized. After disassembly, fixture components should be interchangeable with other fixtures.
Servo electric cylinders automate clamping and positioning, replacing manual operation to improve accuracy and efficiency.
Custom components use a boring bar with an externally rolled guide sleeve for smooth, automated operation.
